
| Appraised Value | Assessed Value | |
| Building Value | $ 570,500 | $ 570,500 |
| Extra Features | $ 61,500 | $ 61,500 |
| Outbuildings | $ 3,900 | $ 3,900 |
| Land Value | $ 309,100 | $ 309,100 |
| Totals | $ 945,000 | $ 945,000 |
| 2026
Community Preservation Act Tax $ 136.72 Cotuit FD Tax (Residential) $ 1,956.15 Town Tax (Residential) $ 4,557.45 Total: $ 6,650.32 |
2025
Community Preservation Act Tax $ 142.87 Cotuit FD Tax (Commercial) $ 0 Cotuit FD Tax (Residential) $ 1,297.20 Town Tax (Commercial) $ 0 Town Tax (Residential) $ 4,762.28 Total: $ 6,202.35 |
| Residential Exemption Received= $274,787 |
Residential Exemption Received= $233,792 |
| Owner: | Sale Date | Book/Page: | Sale Price: |
| KING, BARBARA J | 2025-07-09 | 37174/316 | $0 |
| KING, RICHARD C & BARBARA J | 1979-03-09 | C77468/0 | $0 |
| As Built Cards:Click card # to view: | Card #1 | |

| B2N | Barn-any 2nd story area | FPC | Open Porch Concrete Floor | REF | Reference Only |
| BAS | First Floor, Living Area | FTS | Third Story Living Area (Finished) | SOL | Solarium |
| BMT | Basement Area (Unfinished) | FUS | Second Story Living Area (Finished) | SPE | Pool Enclosure |
| BRN | Barn | GAR | Garage | TQS | Three Quarters Story (Finished) |
| CAN | Canopy | GAZ | Gazebo | UAT | Attic Area (Unfinished) |
| CLP | Loading Platform | GRN | Greenhouse | UHS | Half Story (Unfinished) |
| FAT | Attic Area (Finished) | GXT | Garage Extension Front | UST | Utility Area (Unfinished) |
| FCP | Carport | KEN | Kennel | UTQ | Three Quarters Story (Unfinished) |
| FEP | Enclosed Porch | MZ1 | Mezzanine, Unfinished | UUA | Unfinished Utility Attic |
| FHS | Half Story (Finished) | PRG | Pergola | UUS | Full Upper 2nd Story (Unfinished) |
| FOP | Open or Screened in Porch | PRT | Portico | WDK | Wood Deck |
| PTO | Patio | ||||
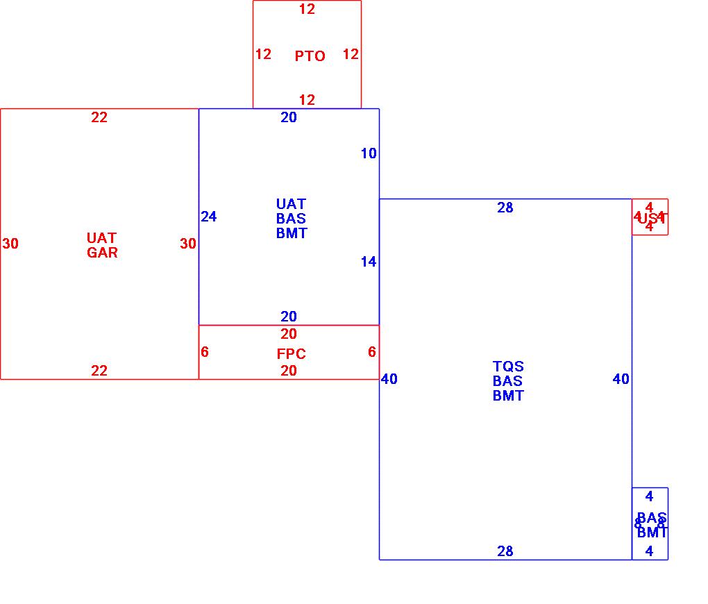
Building |
Details |
Land |
|||
| Building value | $ 570,500 | Bedrooms | 4 Bedrooms | USE CODE | 1010 |
| Replacement Cost | $722,123 | Bathrooms | 3 Full-1 Half | Lot Size (Acres) | 0.7 |
| Model | Residential | Total Rooms | 7 Rooms | Appraised Value | $ 309,100 |
| Style | Cape Cod | Heat Fuel | Gas | Assessed Value | $ 309,100 |
| Grade | Average Plus | Heat Type | Hot Water | ||
| Year Built | 1976 | AC Type | Central | ||
| Effective depreciation | 21 | Interior Floors | Wide Pine | ||
| Stories | 2 Stories | Interior Walls | Plastered | ||
| Living Area sq/ft | 2,360 | Exterior Walls | Wood Shingle | ||
| Gross Area sq/ft | 6,464 | Roof Structure | Gable/Hip | ||
| Roof Cover | Asph/F Gls/Cmp | ||||
| Code | Description | Units/SQ ft | Appraised Value | Assessed Value |
| FPL2 | Fireplace 1.5 stories | 2 | $ 9,500 | $ 9,500 |
| PATF | Flagstone Pavers on conc | 144 | $ 3,900 | $ 3,900 |
| FOPC | Open Prch-roof, ceiling | 120 | $ 4,100 | $ 4,100 |
| GAR | Attached Garage | 660 | $ 17,800 | $ 17,800 |
| UST | Utility Storage-attached | 16 | $ 300 | $ 300 |
| BMT | Basement-Unfinished | 1632 | $ 29,800 | $ 29,800 |