
| Appraised Value | Assessed Value | |
| Building Value | $ 2,670,200 | $ 2,670,200 |
| Extra Features | $ 55,300 | $ 55,300 |
| Outbuildings | $ 153,900 | $ 153,900 |
| Land Value | $ 5,582,200 | $ 5,582,200 |
| Totals | $ 8,461,600 | $ 8,461,600 |
| 2026
C.O.M.M. FD Tax (Residential) $ 9,730.84 Community Preservation Act Tax $ 1,726.17 Town Tax (Residential) $ 57,538.88 Total: $ 68,995.89 |
2025
C.O.M.M. FD Tax (Commercial) $ 0 C.O.M.M. FD Tax (Residential) $ 9,333.40 Community Preservation Act Tax $ 1,689.75 Town Tax (Commercial) $ 0 Town Tax (Residential) $ 56,325.04 Total: $ 67,348.19 |
| Owner: | Sale Date | Book/Page: | Sale Price: |
| ACME JAZZ LLC | 2017-02-22 | 30310/0286 | $100 |
| 233 SEAPUIT LLC | 2016-02-11 | 29447/0031 | $7800000 |
| HALEY, STEVEN R | 2013-08-29 | 27655/0001 | $10 |
| HALEY, STEVEN R & KATHLEEN P TRS | 2007-10-31 | 22442/0197 | $9000000 |
| CORBY, JOAN W & KARL W III TRS | 2006-12-26 | 21645/0110 | $100 |
| CORBY, JOAN WISS | 1987-09-15 | 5912/0174 | $1 |
| CORBY, KARL W | 1972-11-17 | 1758/0049 | $170000 |
| As Built Cards:Click card # to view: | Card #1 | | Card #2 | |

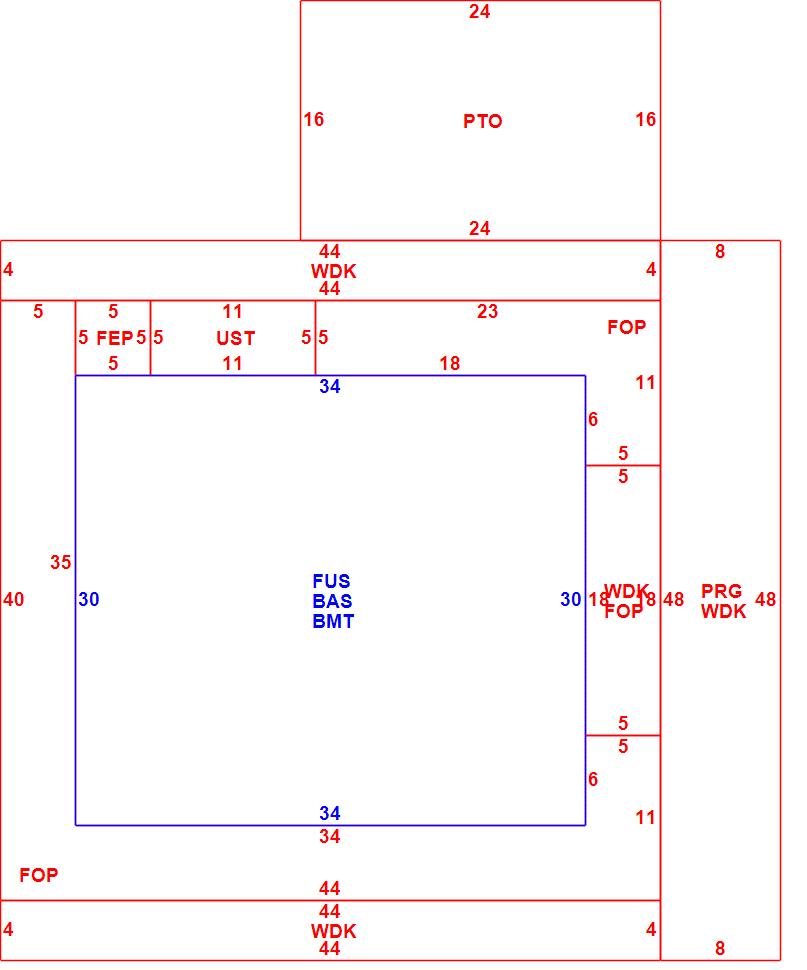
| B2N | Barn-any 2nd story area | FPC | Open Porch Concrete Floor | REF | Reference Only |
| BAS | First Floor, Living Area | FTS | Third Story Living Area (Finished) | SOL | Solarium |
| BMT | Basement Area (Unfinished) | FUS | Second Story Living Area (Finished) | SPE | Pool Enclosure |
| BRN | Barn | GAR | Garage | TQS | Three Quarters Story (Finished) |
| CAN | Canopy | GAZ | Gazebo | UAT | Attic Area (Unfinished) |
| CLP | Loading Platform | GRN | Greenhouse | UHS | Half Story (Unfinished) |
| FAT | Attic Area (Finished) | GXT | Garage Extension Front | UST | Utility Area (Unfinished) |
| FCP | Carport | KEN | Kennel | UTQ | Three Quarters Story (Unfinished) |
| FEP | Enclosed Porch | MZ1 | Mezzanine, Unfinished | UUA | Unfinished Utility Attic |
| FHS | Half Story (Finished) | PRG | Pergola | UUS | Full Upper 2nd Story (Unfinished) |
| FOP | Open or Screened in Porch | PRT | Portico | WDK | Wood Deck |
| PTO | Patio | ||||
Building |
Details |
Land |
|||
| Building value | $ 2,670,200 | Bedrooms | 1 Bedroom | USE CODE | 1010 |
| Replacement Cost | $2,840,598 | Bathrooms | 1 Full-1 Half | Lot Size (Acres) | 1.7 |
| Model | Residential | Total Rooms | 3 Rooms | Appraised Value | $ 5,582,200 |
| Style | Conventional | Heat Fuel | Propane | Assessed Value | $ 5,582,200 |
| Grade | Superior Plus | Heat Type | Hot Air | ||
| Year Built | 2013 | AC Type | Central | ||
| Effective depreciation | 6 | Interior Floors | HardwoodQuarry Tile | ||
| Stories | 2 Stories | Interior Walls | Drywall | ||
| Living Area sq/ft | 2,040 | Exterior Walls | Wood Shingle | ||
| Gross Area sq/ft | 5,394 | Roof Structure | Gable/Hip | ||
| Roof Cover | Wood Shingle | ||||
| Code | Description | Units/SQ ft | Appraised Value | Assessed Value |
| DKHD | Dock-Heavy | 1 | $ 127,100 | $ 127,100 |
| BMT | Basement-Unfinished | 1020 | $ 25,300 | $ 25,300 |
| FEP | Enclosed porch-roof,ceiling | 25 | $ 3,300 | $ 3,300 |
| FOP | Open Porch-roof-ceiling | 660 | $ 23,500 | $ 23,500 |
| UST | Utility Storage-attached | 55 | $ 800 | $ 800 |
| WDCK | Wood Decking w/railings | 90 | $ 3,100 | $ 3,100 |
| PAT2 | Patio-Good | 384 | $ 3,500 | $ 3,500 |
| FPLG | Gas Fireplace-Direct Vent | 1 | $ 2,400 | $ 2,400 |
| FPIT | Fire Pit | 1 | $ 2,700 | $ 2,700 |
| WDC | Wood Deck w/o railings | 736 | $ 11,600 | $ 11,600 |
| PRG1 | Pergola-Avg | 384 | $ 5,900 | $ 5,900 |