
| Appraised Value | Assessed Value | |
| Building Value | $ 838,300 | $ 838,300 |
| Extra Features | $ 22,500 | $ 22,500 |
| Outbuildings | $ 1,600 | $ 1,600 |
| Land Value | $ 4,164,300 | $ 4,164,300 |
| Totals | $ 5,026,700 | $ 5,026,700 |
| 2026
Community Preservation Act Tax $ 1,025.45 Cotuit FD Tax (Commercial) $ 0 Cotuit FD Tax (Residential) $ 10,405.27 Town Tax (Commercial) $ 0 Town Tax (Residential) $ 34,181.56 Total: $ 45,612.28 |
2025
Community Preservation Act Tax $ 991.09 Cotuit FD Tax (Commercial) $ 0 Cotuit FD Tax (Residential) $ 6,712.02 Town Tax (Commercial) $ 0 Town Tax (Residential) $ 33,036.48 Total: $ 40,739.59 |
| Owner: | Sale Date | Book/Page: | Sale Price: |
| COOPER, DONALD & GRIFFIN, J JR TRS | 1998-05-08 | C148430/0 | $3600000 |
| WALDRON, HICKS B & EVELYN L | 1997-03-07 | C143752/0 | $1895000 |
| SAWYER, MARION | 1980-08-15 | C82539/0 | $0 |
| As Built Cards:Click card # to view: | Card #1 | | Card #2 | | Card #3 | |

| B2N | Barn-any 2nd story area | FPC | Open Porch Concrete Floor | REF | Reference Only |
| BAS | First Floor, Living Area | FTS | Third Story Living Area (Finished) | SOL | Solarium |
| BMT | Basement Area (Unfinished) | FUS | Second Story Living Area (Finished) | SPE | Pool Enclosure |
| BRN | Barn | GAR | Garage | TQS | Three Quarters Story (Finished) |
| CAN | Canopy | GAZ | Gazebo | UAT | Attic Area (Unfinished) |
| CLP | Loading Platform | GRN | Greenhouse | UHS | Half Story (Unfinished) |
| FAT | Attic Area (Finished) | GXT | Garage Extension Front | UST | Utility Area (Unfinished) |
| FCP | Carport | KEN | Kennel | UTQ | Three Quarters Story (Unfinished) |
| FEP | Enclosed Porch | MZ1 | Mezzanine, Unfinished | UUA | Unfinished Utility Attic |
| FHS | Half Story (Finished) | PRG | Pergola | UUS | Full Upper 2nd Story (Unfinished) |
| FOP | Open or Screened in Porch | PRT | Portico | WDK | Wood Deck |
| PTO | Patio | ||||
Building |
Details |
Land |
|||
| Building value | $ 838,300 | Bedrooms | 4 Bedrooms | USE CODE | 1010 |
| Replacement Cost | $1,374,312 | Bathrooms | 4 Full-0 Half | Lot Size (Acres) | 4.69 |
| Model | Residential | Total Rooms | 9 Rooms | Appraised Value | $ 4,164,300 |
| Style | Conventional | Heat Fuel | Oil | Assessed Value | $ 4,164,300 |
| Grade | Custom | Heat Type | Hot Water | ||
| Year Built | 1864 | AC Type | None | ||
| Effective depreciation | 39 | Interior Floors | Pine/Soft Wood | ||
| Stories | 2 Stories | Interior Walls | Plastered | ||
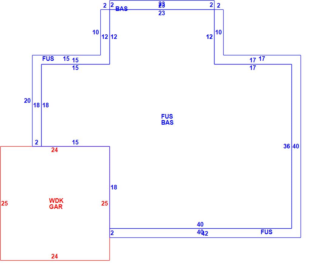
| Living Area sq/ft | 4,322 | Exterior Walls | Clapboard | ||
| Gross Area sq/ft | 5,522 | Roof Structure | Mansard | ||
| Roof Cover | Wood Shingle | ||||
| Code | Description | Units/SQ ft | Appraised Value | Assessed Value |
| FPL3 | Fireplace 2 story | 2 | $ 8,500 | $ 8,500 |
| FPO | Ext FP Opening | 1 | $ 1,200 | $ 1,200 |
| WDCK | Wood Decking w/railings | 600 | $ 1,600 | $ 1,600 |
| GAR | Attached Garage | 600 | $ 12,800 | $ 12,800 |