
| Appraised Value | Assessed Value | |
| Building Value | $ 367,600 | $ 367,600 |
| Extra Features | $ 5,300 | $ 5,300 |
| Outbuildings | $ 90,600 | $ 90,600 |
| Land Value | $ 371,900 | $ 371,900 |
| Totals | $ 835,400 | $ 835,400 |
| 2026
Community Preservation Act Tax $ 114.37 Cotuit FD Tax (Commercial) $ 0 Cotuit FD Tax (Residential) $ 1,729.28 Town Tax (Commercial) $ 0 Town Tax (Residential) $ 3,812.17 Total: $ 5,655.82 |
2025
Community Preservation Act Tax $ 118.47 Cotuit FD Tax (Commercial) $ 0 Cotuit FD Tax (Residential) $ 1,131.95 Town Tax (Commercial) $ 0 Town Tax (Residential) $ 3,948.92 Total: $ 5,199.34 |
| Residential Exemption Received= $274,787 |
Residential Exemption Received= $233,792 |
| Owner: | Sale Date | Book/Page: | Sale Price: |
| CODY, DWIGHT H | 1997-05-30 | 10774/0293 | $90000 |
| CODY, PRISCILLA | 1973-06-26 | P49377/0 | $0 |
| HAMLIN, J WENDELL & JEANETTE W | 1961-11-14 | 1137/0026 | $1 |
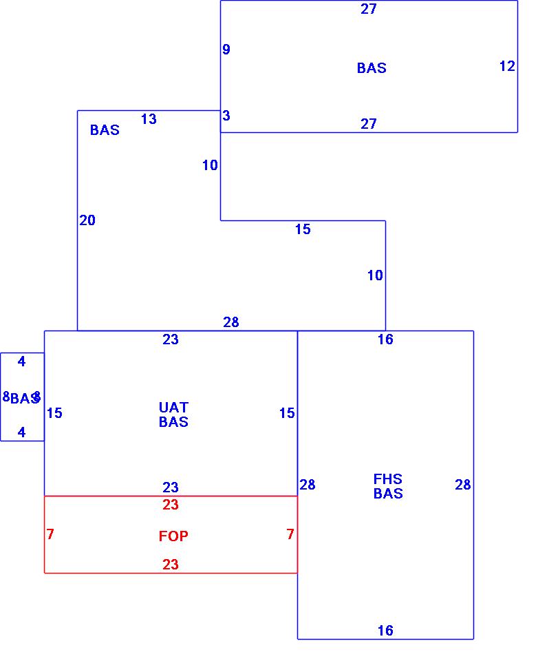
| As Built Cards:Click card # to view: | Card #1 | |

| B2N | Barn-any 2nd story area | FPC | Open Porch Concrete Floor | REF | Reference Only |
| BAS | First Floor, Living Area | FTS | Third Story Living Area (Finished) | SOL | Solarium |
| BMT | Basement Area (Unfinished) | FUS | Second Story Living Area (Finished) | SPE | Pool Enclosure |
| BRN | Barn | GAR | Garage | TQS | Three Quarters Story (Finished) |
| CAN | Canopy | GAZ | Gazebo | UAT | Attic Area (Unfinished) |
| CLP | Loading Platform | GRN | Greenhouse | UHS | Half Story (Unfinished) |
| FAT | Attic Area (Finished) | GXT | Garage Extension Front | UST | Utility Area (Unfinished) |
| FCP | Carport | KEN | Kennel | UTQ | Three Quarters Story (Unfinished) |
| FEP | Enclosed Porch | MZ1 | Mezzanine, Unfinished | UUA | Unfinished Utility Attic |
| FHS | Half Story (Finished) | PRG | Pergola | UUS | Full Upper 2nd Story (Unfinished) |
| FOP | Open or Screened in Porch | PRT | Portico | WDK | Wood Deck |
| PTO | Patio | ||||
Building |
Details |
Land |
|||
| Building value | $ 367,600 | Bedrooms | 4 Bedrooms | USE CODE | 1010 |
| Replacement Cost | $532,687 | Bathrooms | 2 Full-0 Half | Lot Size (Acres) | 0.51 |
| Model | Residential | Total Rooms | 7 Rooms | Appraised Value | $ 371,900 |
| Style | Cape Cod | Heat Fuel | Oil | Assessed Value | $ 371,900 |
| Grade | Average Plus | Heat Type | Steam | ||
| Year Built | 1884 | AC Type | None | ||
| Effective depreciation | 31 | Interior Floors | HardwoodPine/Soft Wood | ||
| Stories | 1 1/2 Stories | Interior Walls | Plastered | ||
| Living Area sq/ft | 1,783 | Exterior Walls | Wood Shingle | ||
| Gross Area sq/ft | 2,513 | Roof Structure | Gable/Hip | ||
| Roof Cover | Asph/F Gls/Cmp | ||||
| Code | Description | Units/SQ ft | Appraised Value | Assessed Value |
| BRN3 | Barn w loft | 342 | $ 8,500 | $ 8,500 |
| FOP | Open Porch-roof-ceiling | 161 | $ 5,300 | $ 5,300 |
| SHP1 | Workshop - Average | 864 | $ 82,100 | $ 82,100 |
| SOL1 | Solar PV Panels 12 - 24 | 28 | $ 0 | $ 0 |