
| Appraised Value | Assessed Value | |
| Building Value | $ 601,200 | $ 601,200 |
| Extra Features | $ 36,500 | $ 36,500 |
| Outbuildings | $ 159,100 | $ 159,100 |
| Land Value | $ 815,400 | $ 815,400 |
| Totals | $ 1,612,200 | $ 1,612,200 |
| 2026
Community Preservation Act Tax $ 328.89 Cotuit FD Tax (Residential) $ 3,337.25 Town Tax (Residential) $ 10,962.96 Total: $ 14,629.10 |
2025
Community Preservation Act Tax $ 302.06 Cotuit FD Tax (Commercial) $ 0 Cotuit FD Tax (Residential) $ 2,375.29 Town Tax (Commercial) $ 0 Town Tax (Residential) $ 10,068.61 Total: $ 12,745.96 |
| Residential Exemption Received= $233,792 |
| Owner: | Sale Date | Book/Page: | Sale Price: |
| REID, SUZANNE | 2025-05-02 | 36956/117 | $2400000 |
| EGAN, KATHLEEN TR | 2024-05-18 | 36628/83 | $0 |
| EGAN, THERESA A TR | 2008-03-03 | 22718/0041 | $100 |
| EGAN, THERESA A | 1996-10-25 | 10452/0121 | $260000 |
| BODEN, LOUISE G | 1995-02-16 | 9560/0027 | $1 |
| BODEN, MARSTON H & LOUISE | 1980-04-04 | 3078/0321 | $0 |
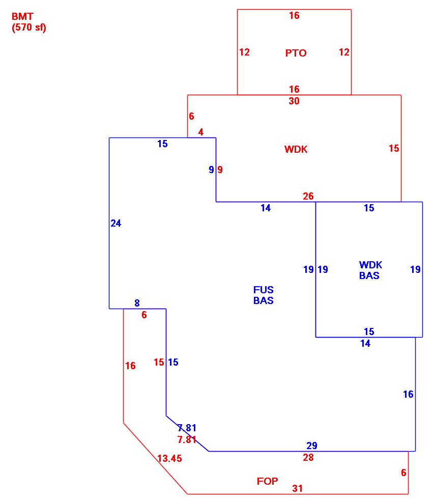
| As Built Cards:Click card # to view: | Card #1 | |

| B2N | Barn-any 2nd story area | FPC | Open Porch Concrete Floor | REF | Reference Only |
| BAS | First Floor, Living Area | FTS | Third Story Living Area (Finished) | SOL | Solarium |
| BMT | Basement Area (Unfinished) | FUS | Second Story Living Area (Finished) | SPE | Pool Enclosure |
| BRN | Barn | GAR | Garage | TQS | Three Quarters Story (Finished) |
| CAN | Canopy | GAZ | Gazebo | UAT | Attic Area (Unfinished) |
| CLP | Loading Platform | GRN | Greenhouse | UHS | Half Story (Unfinished) |
| FAT | Attic Area (Finished) | GXT | Garage Extension Front | UST | Utility Area (Unfinished) |
| FCP | Carport | KEN | Kennel | UTQ | Three Quarters Story (Unfinished) |
| FEP | Enclosed Porch | MZ1 | Mezzanine, Unfinished | UUA | Unfinished Utility Attic |
| FHS | Half Story (Finished) | PRG | Pergola | UUS | Full Upper 2nd Story (Unfinished) |
| FOP | Open or Screened in Porch | PRT | Portico | WDK | Wood Deck |
| PTO | Patio | ||||
Building |
Details |
Land |
|||
| Building value | $ 601,200 | Bedrooms | 3 Bedrooms | USE CODE | 1010 |
| Replacement Cost | $715,744 | Bathrooms | 3 Full-2 Half | Lot Size (Acres) | 0.54 |
| Model | Residential | Total Rooms | 10 Rooms | Appraised Value | $ 815,400 |
| Style | Colonial | Heat Fuel | Gas | Assessed Value | $ 815,400 |
| Grade | Average Plus | Heat Type | Hot Air | ||
| Year Built | 1880 | AC Type | Central | ||
| Effective depreciation | 16 | Interior Floors | Hardwood | ||
| Stories | 2 Stories | Interior Walls | Plastered | ||
| Living Area sq/ft | 2,683 | Exterior Walls | Wood Shingle | ||
| Gross Area sq/ft | 4,474 | Roof Structure | Mansard | ||
| Roof Cover | Asph/F Gls/Cmp | ||||
| Code | Description | Units/SQ ft | Appraised Value | Assessed Value |
| FPL2 | Fireplace 1.5 stories | 2 | $ 10,100 | $ 10,100 |
| GAR4 | Det Gar-w/FUS | 576 | $ 74,800 | $ 74,800 |
| GSQT | Guest Quarters-Wd Fm | 504 | $ 60,200 | $ 60,200 |
| WDCK | Wood Decking w/railings | 84 | $ 2,600 | $ 2,600 |
| PAT1 | Patio- Average | 154 | $ 900 | $ 900 |
| WDCK | Wood Decking w/railings | 699 | $ 9,500 | $ 9,500 |
| PAT1 | Patio- Average | 192 | $ 1,100 | $ 1,100 |
| FOP | Open Porch-roof-ceiling | 330 | $ 10,900 | $ 10,900 |
| BMT | Basement-Unfinished | 570 | $ 15,500 | $ 15,500 |
| FOPG | Open Prch-rf-ceil | 84 | $ 4,800 | $ 4,800 |
| GEN | Emergency Generator | 1 | $ 5,200 | $ 5,200 |