
| Appraised Value | Assessed Value | |
| Building Value | $ 430,800 | $ 430,800 |
| Extra Features | $ 50,500 | $ 50,500 |
| Outbuildings | $ 3,800 | $ 3,800 |
| Land Value | $ 167,500 | $ 167,500 |
| Totals | $ 652,600 | $ 652,600 |
| 2026
Community Preservation Act Tax $ 77.07 Cotuit FD Tax (Residential) $ 1,350.88 Town Tax (Residential) $ 2,569.13 Total: $ 3,997.08 |
2025
Community Preservation Act Tax $ 131.67 Cotuit FD Tax (Commercial) $ 0 Cotuit FD Tax (Residential) $ 891.68 Town Tax (Commercial) $ 0 Town Tax (Residential) $ 4,388.86 Total: $ 5,412.21 |
| Residential Exemption Received= $274,787 |
| Owner: | Sale Date | Book/Page: | Sale Price: |
| SONGER, RACHEL D | 2021-06-18 | 34219/193 | $130000 |
| SONGER, JEFFREY L & PERNICK, RACHEL D | 2016-12-27 | 30193/0098 | $373000 |
| MYETT, DAVID A & JULIE K | 1995-03-15 | 9586/0340 | $1 |
| MYETT, DAVID A & KENNEY, JULIE A | 1991-12-15 | 7812/0112 | $121000 |
| DUCHARME, DENNIS M | 1990-06-15 | 7183/0242 | $1 |
| DUCHARME, DENNIS M & PATRICIA J | 1989-03-15 | 6650/0097 | $99500 |
| NADZEIKA, LAWRENCE M TR | 1986-09-15 | 5282/0119 | $210000 |
| JEBB, WILLIAM T JR | 1985-04-15 | 4488/0114 | $60000 |
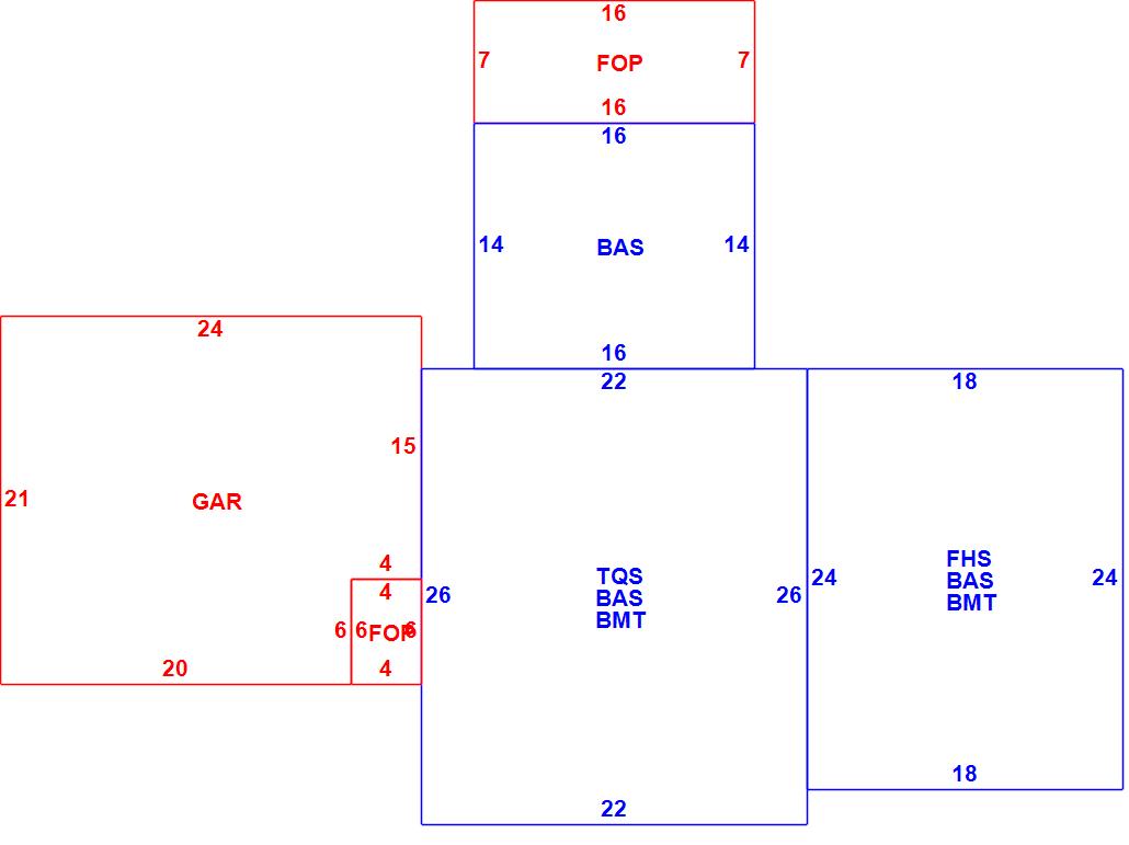
| As Built Cards:Click card # to view: | Card #1 | | Card #2 | |

| B2N | Barn-any 2nd story area | FPC | Open Porch Concrete Floor | REF | Reference Only |
| BAS | First Floor, Living Area | FTS | Third Story Living Area (Finished) | SOL | Solarium |
| BMT | Basement Area (Unfinished) | FUS | Second Story Living Area (Finished) | SPE | Pool Enclosure |
| BRN | Barn | GAR | Garage | TQS | Three Quarters Story (Finished) |
| CAN | Canopy | GAZ | Gazebo | UAT | Attic Area (Unfinished) |
| CLP | Loading Platform | GRN | Greenhouse | UHS | Half Story (Unfinished) |
| FAT | Attic Area (Finished) | GXT | Garage Extension Front | UST | Utility Area (Unfinished) |
| FCP | Carport | KEN | Kennel | UTQ | Three Quarters Story (Unfinished) |
| FEP | Enclosed Porch | MZ1 | Mezzanine, Unfinished | UUA | Unfinished Utility Attic |
| FHS | Half Story (Finished) | PRG | Pergola | UUS | Full Upper 2nd Story (Unfinished) |
| FOP | Open or Screened in Porch | PRT | Portico | WDK | Wood Deck |
| PTO | Patio | ||||
Building |
Details |
Land |
|||
| Building value | $ 430,800 | Bedrooms | 3 Bedrooms | USE CODE | 1010 |
| Replacement Cost | $512,857 | Bathrooms | 2 Full-1 Half | Lot Size (Acres) | 0.48 |
| Model | Residential | Total Rooms | 7 Rooms | Appraised Value | $ 167,500 |
| Style | Cape Cod | Heat Fuel | Gas | Assessed Value | $ 167,500 |
| Grade | Average | Heat Type | Hot Water | ||
| Year Built | 1987 | AC Type | Central | ||
| Effective depreciation | 16 | Interior Floors | CarpetHardwood | ||
| Stories | 1 3/4 Stories | Interior Walls | Drywall | ||
| Living Area sq/ft | 1,816 | Exterior Walls | Wood Shingle | ||
| Gross Area sq/ft | 3,852 | Roof Structure | Gable/Hip | ||
| Roof Cover | Asph/F Gls/Cmp | ||||
| Code | Description | Units/SQ ft | Appraised Value | Assessed Value |
| FPL2 | Fireplace 1.5 stories | 1 | $ 5,000 | $ 5,000 |
| SHD2 | Shed w/Elec | 144 | $ 1,700 | $ 1,700 |
| FOP | Open Porch-roof-ceiling | 136 | $ 5,800 | $ 5,800 |
| GAR | Attached Garage | 480 | $ 15,200 | $ 15,200 |
| BMT | Basement-Unfinished | 1004 | $ 22,400 | $ 22,400 |
| FPLG | Gas Fireplace-Direct Vent | 1 | $ 2,100 | $ 2,100 |
| FOPG | Open Prch-rf-ceil | 48 | $ 2,100 | $ 2,100 |