
| Appraised Value | Assessed Value | |
| Building Value | $ 351,100 | $ 351,100 |
| Extra Features | $ 48,900 | $ 48,900 |
| Outbuildings | $ 3,600 | $ 3,600 |
| Land Value | $ 251,200 | $ 251,200 |
| Totals | $ 654,800 | $ 654,800 |
| 2026
Community Preservation Act Tax $ 133.58 Cotuit FD Tax (Residential) $ 1,355.44 Town Tax (Residential) $ 4,452.64 Total: $ 5,941.66 |
2025
Community Preservation Act Tax $ 128.02 Cotuit FD Tax (Residential) $ 867.01 Town Tax (Residential) $ 4,267.41 Total: $ 5,262.44 |
| Owner: | Sale Date | Book/Page: | Sale Price: |
| FRAONE, JENNIFER & GIANFRANCO | 2008-07-10 | 23035/0120 | $382000 |
| FAYNE, FRANCIS JR & JOAN M | 1978-06-16 | 2730/0105 | $54000 |
| As Built Cards:Click card # to view: | Card #1 | |

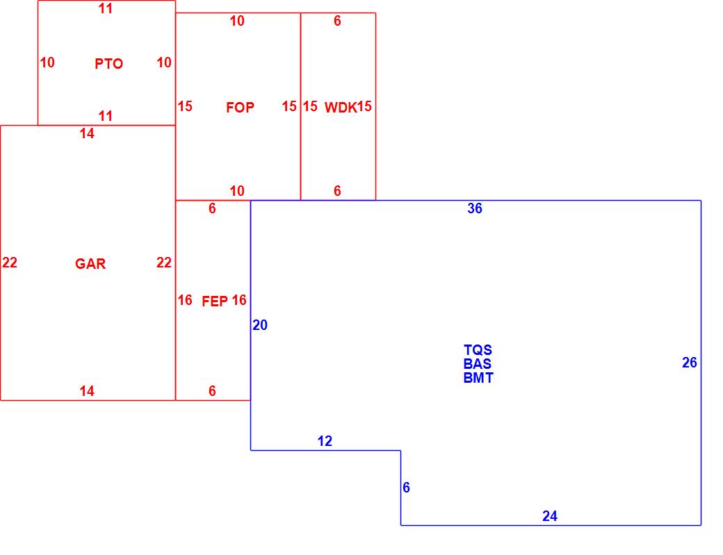
| B2N | Barn-any 2nd story area | FPC | Open Porch Concrete Floor | REF | Reference Only |
| BAS | First Floor, Living Area | FTS | Third Story Living Area (Finished) | SOL | Solarium |
| BMT | Basement Area (Unfinished) | FUS | Second Story Living Area (Finished) | SPE | Pool Enclosure |
| BRN | Barn | GAR | Garage | TQS | Three Quarters Story (Finished) |
| CAN | Canopy | GAZ | Gazebo | UAT | Attic Area (Unfinished) |
| CLP | Loading Platform | GRN | Greenhouse | UHS | Half Story (Unfinished) |
| FAT | Attic Area (Finished) | GXT | Garage Extension Front | UST | Utility Area (Unfinished) |
| FCP | Carport | KEN | Kennel | UTQ | Three Quarters Story (Unfinished) |
| FEP | Enclosed Porch | MZ1 | Mezzanine, Unfinished | UUA | Unfinished Utility Attic |
| FHS | Half Story (Finished) | PRG | Pergola | UUS | Full Upper 2nd Story (Unfinished) |
| FOP | Open or Screened in Porch | PRT | Portico | WDK | Wood Deck |
| PTO | Patio | ||||
Building |
Details |
Land |
|||
| Building value | $ 351,100 | Bedrooms | 3 Bedrooms | USE CODE | 1010 |
| Replacement Cost | $438,847 | Bathrooms | 2 Full-0 Half | Lot Size (Acres) | 0.48 |
| Model | Residential | Total Rooms | 5 | Appraised Value | $ 251,200 |
| Style | Cape Cod | Heat Fuel | Gas | Assessed Value | $ 251,200 |
| Grade | Average Plus | Heat Type | Hot Water | ||
| Year Built | 1977 | AC Type | None | ||
| Effective depreciation | 20 | Interior Floors | Hardwood | ||
| Stories | 1 3/4 Stories | Interior Walls | Drywall | ||
| Living Area sq/ft | 1,426 | Exterior Walls | Wood Shingle | ||
| Gross Area sq/ft | 3,346 | Roof Structure | Gable/Hip | ||
| Roof Cover | Asph/F Gls/Cmp | ||||
| Code | Description | Units/SQ ft | Appraised Value | Assessed Value |
| FPL2 | Fireplace 1.5 stories | 1 | $ 4,800 | $ 4,800 |
| BRR | Bsmt Rec Rm-Average | 250 | $ 1,600 | $ 1,600 |
| WDC | Wood Deck w/o railings | 90 | $ 1,800 | $ 1,800 |
| PAT2 | Patio-Good | 110 | $ 1,000 | $ 1,000 |
| FOP | Open Porch-roof-ceiling | 150 | $ 5,900 | $ 5,900 |
| FEP | Enclosed porch-roof,ceiling | 96 | $ 6,500 | $ 6,500 |
| GAR | Attached Garage | 308 | $ 10,900 | $ 10,900 |
| BMT | Basement-Unfinished | 864 | $ 19,200 | $ 19,200 |
| SHED | Shed | 96 | $ 800 | $ 800 |