
| Appraised Value | Assessed Value | |
| Building Value | $ 389,600 | $ 389,600 |
| Extra Features | $ 27,500 | $ 27,500 |
| Outbuildings | $ 2,700 | $ 2,700 |
| Land Value | $ 464,400 | $ 464,400 |
| Totals | $ 884,200 | $ 884,200 |
| 2026
Community Preservation Act Tax $ 180.38 Cotuit FD Tax (Residential) $ 1,830.29 Town Tax (Residential) $ 6,012.56 Total: $ 8,023.23 |
2025
Community Preservation Act Tax $ 178.39 Cotuit FD Tax (Residential) $ 1,208.09 Town Tax (Residential) $ 5,946.19 Total: $ 7,332.67 |
| Owner: | Sale Date | Book/Page: | Sale Price: |
| AHEARN, FRANCIS X & DORIS E | 2006-10-25 | 21462/0307 | $0 |
| AHEARN, FRANCIS X | 1990-10-15 | 7317/0127 | $1 |
| AHEARN, DORIS E | 1955-04-08 | 0904/0257 | $0 |
| As Built Cards:Click card # to view: | Card #1 | |

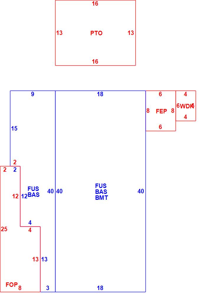
| B2N | Barn-any 2nd story area | FPC | Open Porch Concrete Floor | REF | Reference Only |
| BAS | First Floor, Living Area | FTS | Third Story Living Area (Finished) | SOL | Solarium |
| BMT | Basement Area (Unfinished) | FUS | Second Story Living Area (Finished) | SPE | Pool Enclosure |
| BRN | Barn | GAR | Garage | TQS | Three Quarters Story (Finished) |
| CAN | Canopy | GAZ | Gazebo | UAT | Attic Area (Unfinished) |
| CLP | Loading Platform | GRN | Greenhouse | UHS | Half Story (Unfinished) |
| FAT | Attic Area (Finished) | GXT | Garage Extension Front | UST | Utility Area (Unfinished) |
| FCP | Carport | KEN | Kennel | UTQ | Three Quarters Story (Unfinished) |
| FEP | Enclosed Porch | MZ1 | Mezzanine, Unfinished | UUA | Unfinished Utility Attic |
| FHS | Half Story (Finished) | PRG | Pergola | UUS | Full Upper 2nd Story (Unfinished) |
| FOP | Open or Screened in Porch | PRT | Portico | WDK | Wood Deck |
| PTO | Patio | ||||
Building |
Details |
Land |
|||
| Building value | $ 389,600 | Bedrooms | 4 Bedrooms | USE CODE | 1010 |
| Replacement Cost | $564,687 | Bathrooms | 2 Full-0 Half | Lot Size (Acres) | 2.47 |
| Model | Residential | Total Rooms | 8 Rooms | Appraised Value | $ 464,400 |
| Style | Conventional | Heat Fuel | Gas | Assessed Value | $ 464,400 |
| Grade | Average Plus | Heat Type | Hot Air | ||
| Year Built | 1900 | AC Type | None | ||
| Effective depreciation | 31 | Interior Floors | CarpetPine/Soft Wood | ||
| Stories | 2 Stories | Interior Walls | Drywall | ||
| Living Area sq/ft | 1,956 | Exterior Walls | Wood Shingle | ||
| Gross Area sq/ft | 3,108 | Roof Structure | Gable/Hip | ||
| Roof Cover | Asph/F Gls/Cmp | ||||
| Code | Description | Units/SQ ft | Appraised Value | Assessed Value |
| FPL2 | Fireplace 1.5 stories | 1 | $ 4,100 | $ 4,100 |
| SHED | Shed | 216 | $ 1,200 | $ 1,200 |
| PAT1 | Patio- Average | 208 | $ 900 | $ 900 |
| FOP | Open Porch-roof-ceiling | 152 | $ 5,100 | $ 5,100 |
| FEP | Enclosed porch-roof,ceiling | 48 | $ 3,500 | $ 3,500 |
| BMT | Basement-Unfinished | 720 | $ 14,800 | $ 14,800 |
| WDCK | Wood Decking w/railings | 24 | $ 600 | $ 600 |